歡迎來訪東莞玖容氣液增壓缸廠家品牌網站!

玖容32年專注氣動液壓設備

ISO9001認證氣液增壓缸廠家
全國定制咨詢熱線
0769-23103048
氣液增壓缸設備行業優選品牌!

增壓缸壓下去返回頂部很慢解決辦法

發布時間:2019-12-28
增壓缸壓下去返回頂部很慢這是老生常談的一個問題了,玖容小編在這里在給大家說說怎么解決這個問題。
 
增壓缸壓下去返回頂部很慢出現的原因有:
 
1、氣源壓力過低導致的增壓缸返回頂部很慢。
 
2、增壓缸的提升力(回程拉力)不夠也會引起此等情況出現。
 
3、氣管路連接的不正確。
 
4、機器設備故障導致的。
 
針對以上情況出現的原因解決辦法有:
 
1、提高增壓缸的氣源壓力,有調壓閥的可以調大一些。
 
2、提升力(回程拉力)不夠,是因為在選型時核算模具的重量不正確,需要重新核算準確的模具重量,重新訂購。
 
3、調整機臺安裝的垂直度。
 
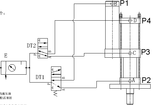
4、如是氣管路連接的方法不正確,重新調整氣管路;如不知道怎么連接氣管路的,可參考玖容廠家的標準型氣液增壓缸的氣管路連接。
 
氣液增壓缸氣路連接圖
 
以上的全部內容就是此次玖容對增壓缸壓下去返回頂部很慢解決辦法的說明了,如大家有不清楚或者不明白的地方可點擊玖容官方網站右側窗口咨詢或撥打咨詢熱線:0769-23103048。
版權所有@1992年~2023年 東莞市玖容氣動液壓設備有限公司 東莞玖容氣液增壓缸品牌
電話:0769-23103048、0769-22013249、傳真:0769-23109526
聯系QQ:2850850515(楊小姐)、2850850511(黃小姐)、2850850512(李小姐)、2850850514(秦先生)
東莞玖容氣液增壓缸廠家地址:廣東省東莞市東城街道峽口沙嶺工業西路21號 郵政編碼:523115
  • 玖容官方微信
咨詢熱線:
0769-23103048
郵箱:jiurong.goog@163.com
備案號: 粵ICP備12064445號        粵公網安備: 44190002006970號        版權所有:東莞市玖容氣動液壓設備有限公司           網站地圖